| kW | Hz | RPM | V | Kg | Cooling |
|---|---|---|---|---|---|
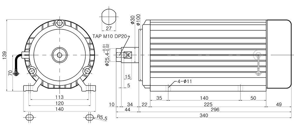
| 3.7kW | 60Hz | 3600RPM | 220/380V(겸용) | 15Kg | 공냉식 |
첨부파일
-
LHM2B370-K.dwg (70.9K)
23회 다운로드 | DATE : 2024-11-11 15:48:31
- 이전글LHM2B220-K 24.11.10
- 다음글LHM2B40-C 24.11.10


