LCM

LCM High Qualily & Technology

We will become the best company in the 21st century with constant development, research, experience, technology, trust, and credit

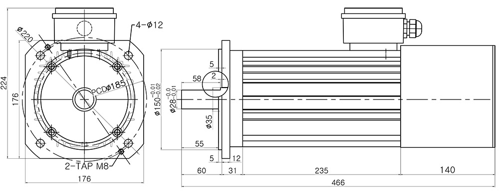
LHCV4D370-K-PG

· DC24v fan/built-in encoder/mounted with pulley/drive motor(less noise)

If you click on a picture or drawing, you can see it big

The color of the motor may change in some cases.
kW Hz RPM V Kg Cooling
3.7kW 200Hz 6000 220/380V(Both available) 22Kg Air cooling system

첨부파일